专注空气能热水器定制、承接空气能工程,全国统一服务热线:13706164559

联系我们

Contact Us
億彩
地址:新北区龙虎塘新区产业园区
电话:13706164559
手机:13706164559(微信同号)
QQ:2242597105
当前位置: 首页 / 新闻资讯 / 技术答疑

技术答疑

闭式小水箱空气能热水系统 舒适度更高 更稳定
更新时间:2020-09-11 点击:947

億彩 随着生活水平的逐步提高,热水需求的舒适性不断上升,空气能闭式系统正在慢慢普及。虽然初期的投资较常规热水高,但是其使用寿命长、舒适性好、运行稳定、应急措施完善。闭式系统正在受到越来越多的关注。

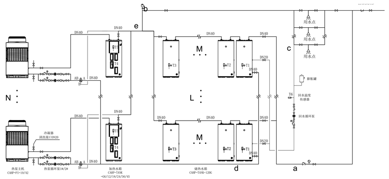
闭式系统与大气隔绝,水箱内胆及设备内部不易受到腐蚀,增加设备的使用寿命。该空气能热水器整套系统闭式运行,水泵的功率需求较小,整体的能耗降低,更更。闭式系统对楼面的负荷要求较小,可以满足不同的安装需求,安装灵活多变。闭式小水箱热水系统在设计时,在机器出现故障时的应急措施更加到位。在商用领域可以更加的受到青睐。防止因为机器故障造成的经济损失,减少服务行业各种担忧。闭式热水系统,在供水端优势更加明显,热水与冷水压力均衡,不易造成忽冷忽热,增强了用户的体验舒适度。欧麦朗闭式热水系统,用精确控温、应急供热、安装规范、系统稳定赢得更多的赞誉。


空气能闭式小水箱热水系统原理图






做/您/身/边/的/空/气/能/热/水/器/专/家
  • 微信公众号
  • 小程序
版权所有:億彩 地址:新北区龙虎塘新区产业园区 手机:13706164559 电话:13706164559 邮箱:oumailang@inposolar.com
备案号:  法律声明
E乐彩-首页 500505百万文字论坛综合资料-500308百万文字论坛-780790百万文字论坛红字-798790百万文字论坛下载-500505百万文字论坛雷锋版 天天中彩票-Welcome首页 乐盈VI 佰富彩-安全购彩 98彩票|官方网站 佰富彩-welcome 佰富彩 - IOS/安卓通用版