相关资讯
Related News- COP 达 3-5、节能超 60%!热泵技术为金属件清洗工艺降本增效提供关键路径
- 空气能热泵在汽车配件清洗恒温热水供应中的核心价值
- 节能黑科技:高温水源热泵如何重塑饮料无菌灌装生产线的能源效率
- 欧麦朗高温复叠热泵助力某电子股份有限公司PCB工艺热水
- 超声波清洗 + 空气能热泵恒温:双技术协同,让清洗效果稳、能耗省、寿命长
- 欧麦朗三期热泵烘干机项目将完工:赋能某资深工业品牌泰国工厂发泡模具生产
- 注塑车间高温不用愁?欧麦朗蒸发冷空调精准控温还省电
- 夏季养殖场鱼池高温 “烤” 验?空气能恒温热泵解锁全年温控新方案
- 高温热泵:点 “废” 成金的工业能源革命
- 某食品厂屠宰用空气能太阳能热水系统交付 绿色生产再添新动能
- 空气源热泵冷热双供系统在电镀车间的节能改造应用
- 光伏厂节能:热泵回收 PCW 回水余热 赋能制绒车间
联系我们
Contact Us地址:新北区龙虎塘新区产业园区
电话:13706164559
手机:13706164559(微信同号)
QQ:2242597105
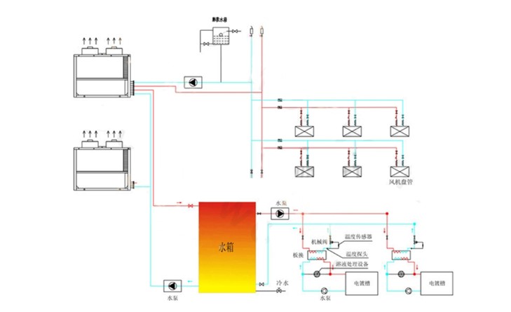
欧麦朗高温热泵机组是专为工业热水设计,可以适用不同行业加热需要。如电镀槽加热、高温不锈钢清洗、反应釜高温加热、原油加热等!此次为大家着重介绍欧麦朗高温热泵机组在电镀槽液加热上的应用!
设计思路:
电镀槽的加热是用于保证电镀液温度恒定,满足电镀生产需求。恒温就是保证电镀槽内液体温度恒定,换句话说,就是在电镀液温度低时加热,在电镀液温度高时降温。确保电镀液温度恒定在一定范围内!
我们用温度探头对电镀槽内液体进行温度监测,当温度探头检测到电镀槽温度低于需求温度时,通过温度传感器传输信号至电动阀,电动阀打开,对槽液加热,保持电镀槽温度恒定在需要温度;当电镀槽液温度达到需要温度时,电动阀关闭。当温度感温探头检测到水箱温度低于设定温度时,机组和水箱之间循环泵开启中,机组延后开启,当温度感温头检测到水箱温度高于设定温度时,机组关闭,机组与水箱之间循环泵延后关闭。

加热电镀槽槽液所需要的热量:
计算公式如下:
热量(KW)=(槽的容量(L)×温度上升(℃)×密度×比热容)/860×加热时间(h)说明:普通镀液比热容接近水的比热容(4.2KJ/Kg. ℃)
电镀高温热泵加热方式
1、间接加热方式:通过热泵主机加热储热水箱的热水,再把热水通过板换与槽液进行换热,由温度传感器控制水管恒温阀的开关。
适用于手动线,连续镀线等槽液较小,电镀加热节能槽较多的电镀厂 。

2、直接加热方式通过热泵主机,采用不锈钢、纯钛、特佛龙等换执业器直接加热槽液,适用于龙门线、环环线等槽液较大的电镀厂。




以上就是我们电镀高温热泵的设计思路,两种加热方式因情况而异,各有优劣,有需要电镀高温热泵机组的可以联系我们!欧麦朗能身边的工业热水解决方法服务商!


小程序